Focus Istruzioni d'Uso e marcature Gru caricatrici EN 12999:2020
DTCE25 | Rev. 2.0 / Aggiornamento dell'11.11.2021
Documento di approfondimento sulle istruzioni per l’uso e le marcature necessarie per le gru caricatrici in accordo alla norme tecnica EN 12999:2020 “Apparecchi di sollevamento - Gru Caricatrici”.
Il presente documento è una traduzione non ufficiale in lingua italiana di parti della norma EN 12999:2020 - Traduzione non ufficiale IT.
Definizione
Gru caricatrice: Gru a motore composta da una colonna, che ruota attorno a una base, e un sistema di bracci che è applicato alla sommità della colonna, progettata per il carico e lo scarico di veicoli.
EN 12999:2020 “Apparecchi di sollevamento - Gru caricatrici”
Data entrata in vigore: 14 ottobre 2020
La norma è stata recepita in Italia con la UNI EN 12999:2020 il 10 dicembre 2020.
Sostituisce: EN 12999:2011+A2:2018
Con la Dec. di es. (UE) 2021/1813 la norma è stata pubblicata, dal 15.10.2021, nell’elenco delle norme armonizzate per la Direttiva 2006/42/CE Macchine.
La norma specifica i requisiti minimi per la progettazione, il calcolo, le prove delle gru caricatrici idrauliche e per il loro montaggio su veicoli o fondazioni statiche.
La norma si applica alle gru da carico progettate per essere installate su:
- veicoli stradali, compresi i rimorchi, con capacità di carico;
- trattori (stradali o agricoli), in cui solo un rimorchio trainato ha la capacità di trasportare merci;
- corpi smontabili che devono essere trasportati da uno dei soggetti sopra indicati;
- altri tipi di vettori (ad esempio caricatori separati, cingolati, veicoli ferroviari, navi non marittime);
- fondamenta statiche.
La norma si applica anche alle gru caricatrici dotate di attrezzi speciali o attrezzature intercambiabili (es. pinza, benna, pinza per pallet, ecc.), come specificato nel manuale dell’operatore.
[...]
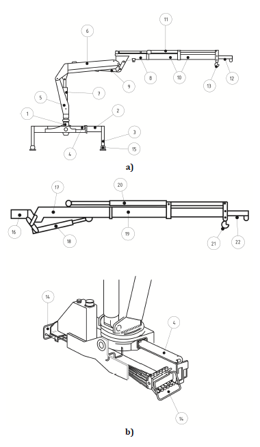
1. Componenti principali gru caricatrici

Legenda
1 Base
2 Braccio stabilizzatore
3 Martinetto stabilizzatore
4 Meccanismo di rotazione: per esempio, cremagliera, ralla
5 Colonna
6 Primo braccio
7 Cilindro primo braccio
8 Secondo braccio
9 Cilindro secondo braccio
10 Braccio sfilo idraulico
11 Martinetti sfilo
12 Prolunga manuale
13 Gancio
14 Comandi
15 Piede stabilizzatore
16 Adattatore terzo braccio
17 Terzo braccio
18 Cilindro terzo braccio
19 Braccio sfilo idraulico
29 Martinetti sfilo
21 Gancio
22 Prolunga manuale
Figura 1 - Parti principali di una gru caricatrice
2. Esempi di configurazioni e montaggi
2.1 Gru caricatrici con gruppo bracci diritto

Figura 2 - Gru caricatrici con gruppo bracci diritto
[...]

Figura 16 - Gru caricatrice montata su nave non marittima
3. Informazioni per l’uso
3.1 Istruzioni per l’installatore
Le istruzioni di installazione devono includere:
a) descrizione del telaio su cui può essere montata la gru;
b) requisiti dei bulloni e degli elementi di fissaggio per il montaggio della gru caricatrice su un veicolo o su una fondazione statica;
c) masse, baricentri e tutte le informazioni necessarie per il calcolo dei carichi sugli assi e la stabilità;
d) i valori di TL, G
b e, se applicabile, ∆ per la prova di stabilità;
e) istruzioni per prova di stabilità mediante pressione di prova, se prevista dal fabbricante. Se necessari per la prova, devono essere forniti anche strumenti software appropriati;
f) l'angolo del braccio che corrisponde al momento massimo del 1° braccio;
g) la specifiche dell’impianto idraulico che devono includere:
- requisiti di pressione e portata;
- capacità olio impianto;
- specifiche dell'olio del sistema;
- raccomandazioni sulla capacità minima del serbatoio;
- filtrazione consigliata;
h) requisiti dell'impianto elettrico;
i) informazioni su come collegare i dispositivi di segnalazione nella cabina del camion;
j) requisiti per l'accesso e l'uscita nelle e dalle stazioni di controllo;
k) un'istruzione per eseguire le prove in conformità al capitolo 6 della norma EN 12999:2020.
[...]

Figura 19 - Esempio di diagramma del carico nominale per la gru con paranco. Il carico è ridotto al 50% al di sopra di un’elevazione di 60°
[...]
4.4 Targhe speciali sulle gru per la movimentazione del legname
Le gru per la movimentazione del legname devono essere dotate della seguenti targhe speciale:
a) in corrispondenza della stazione di comando e sul gruppo bracci una figura che mostri la distanza di sicurezza (vedi esempio Figura 23);

Figura 23 – Esempio di un simbolo indicante la distanza di sicurezza dalla gru in funzione
b) un simbolo sul secondo braccio delle gru indicante servizio con gancio non ammesso (vedi esempio Figura 24);

Figura 24 - Esempio di simbolo per gru indicante il servizio con gancio non ammesso
[...]
5. Simboli per funzioni operative e di messa in opera
Le parti della gru caricatrice che si muovono svolgendo una funzione operativa devono essere contrassegnate con circoli bianchi, linee spesse e/o freccia nei simboli.
I simboli devono essere conformi alla tabella 1.

Tabella 1 - Simboli da utilizzare
[...]
8.3 Telecomandi
Le leve di comando multidirezionale dovrebbero essere disposte in conformità alla figura 30.
Le leve di comando bidirezionali dovrebbero essere conformi alla figura 27, disposizione A.

Legenda
1 Apertura benna
2 Discesa 2° braccio
3 Rotazione colonna in senso antiorario
4 Rotazione colonna in senso orario
5 Salita 2° braccio
6 Chiusura benna
7 Rotazione in senso orario del dispositivo di presa del carico
8 Discesa 1° braccio
9 Estensione dei bracci sfilabili
10 Rotazione in senso orario del dispositivo di presa del carico
11 Salita 1° braccio
12 Rientro bracci sfilabili
13 Operatore
Figura 30 - Comandi multidirezionali - Disposizione di un sistema di comando a due leve
...
Fonte:
EN 12999:2020
Matrice Revisioni:
| Rev. |
Data |
Oggetto |
Autore |
| 2.0 |
11.11.2021 |
Aggiornato in accordo alla EN 12999:2020 |
Certifico Srl |
| 1.0 |
26.04.2015 |
-- |
Certifico Srl |