La nuova 6a edizione 2016 della norma IEC 60204-1
| ID 4153 | | Visite: 21529 | News generali | Permalink: https://www.certifico.com/id/4153 |

La nuova 6a edizione 2016 della norma IEC 60204-1
Federico Dosio (Membro CEI dei CT 44, SC 121B, CT 64, Presidente UNI del GL “Sicurezza del macchinario”, Membro IEC del WG7/IEC 62061, MT 60204-1, WG13/IEC 62745, WG15/IEC 63074, Membro ISO del TC199/WG8 e TC199/WG5).
La Norma CEI EN 60204-1 “Sicurezza del macchinario – Equipaggiamento elettrico delle macchine – Parte 1: Regole generali” riveste uno dei ruoli più importanti nel panorama del settore delle macchine in quanto si applica a tutte le macchine come definite nella Direttiva 2006/42/CE; tale norma è praticamente richiamata in tutte le norme di tipo C del macchinario per coprire i requisiti della loro parte elettrica le quali, al più, aggiungono qualche requisito specifico senza modificare sostanzialmente i requisiti in essa riportati.
La Norma CEI EN 60204-1 ad oggi in vigore è la IV edizione del 2006, ma nell’ottobre 2016 è stata pubblicata dall’IEC la nuova VI edizione, in via di pubblicazione a livello CENELEC come Norma EN 60204-1 ed a seguire dal CEI come Norma CEI EN 60204-1; le versioni EN e CEI della norma saranno una edizione meno della versione IEC (ossia V edizione) perché in ambito europeo e nazionale queste sono state pubblicate a partire dalla seconda edizione IEC.
La nuova edizione del norma ha introdotto numerosi cambiamenti e novità senza cambiare il suo campo di applicazione o stravolgere la sua struttura che ormai da anni è consolidata.
Nell’edizione 2016 si notano invece cambiamenti nell’introduzione della norma per quanto riguarda l’elenco delle differenze nazionali alle quali, rispetto all’edizione 2005, sono state aggiunte le seguenti:
- per il Giappone si indica che il sistema TT è il sistema di distribuzione nazionale;
- per gli USA si indica che possono essere richiesti ulteriori requisiti supplementari dalla UL 508A per la valutazione della tenuta al cortocircuito;
- si cita che nell’Allegato E della Norma IEC 60364-5-54:2011 si trova la lista delle note nazionali per quanto riguarda i conduttori di protezione;
- valore massimo permesso in Giappone per il valore di resistenza RA, (meno di 10 Ohm con Uo > 300V, o meno di 100 Ohm se Uo < 300V);
- valore massimo permesso in Olanda per la resistenza RA (pari a 83 Ohm);
- indicazione che in Italia l’uso di un RCD per la protezione mediante interruzione automatica dell’alimentazione è obbligatorio per i sistemi TT.
Sono stati naturalmente aggiornati i riferimenti normativi richiamati all’interno della Norma IEC 60204-1 (applicabili ove non richiamati in una nota), ma soprattutto è stato precisato che l’applicazione di questi riferimenti normativi può essere richiesta parzialmente o totalmente.
Nel capitolo dei requisiti generali viene chiarita la possibilità di utilizzare l’Allegato B (informativo) quando l’utilizzatore è noto, ciò per meglio evidenziare l’inapplicabilità per macchine costruite in serie o vendute per esempio a catalogo.
Particolarmente evidente è anche la modifica dell’art. 4.2.2 della norma che stabilisce il legame tra la Norma IEC 60204-1 e la serie di Norme IEC 61439; il titolo dell’articolo che è stato cambiato in “Switchgear” e il testo del capitolo recita “In aggiunta ai requisiti dell’IEC 60204-1, a seconda della macchina, il suo uso previsto e il suo equipaggiamento elettrico, il progettista può scegliere parti dell’equipaggiamento elettrico della macchina che sono in conformità con le parti rilevanti della serie IEC 61439 (Vedi anche Allegato F)”.
Se nel contenuto il concetto rispetto alla precedente edizione non è cambiato, il cambio del titolo relega questo articolo solo ai quadri di commutazione, a sottolineare che i quadri di macchina, ossia di controllo, sono regolamentati nella sostanza dalla Norma IEC 60204-1.
Modificati anche i limiti delle armoniche per le quali l’equipaggiamento elettrico deve essere in grado di funzionare (distorsione non superiore al 12% della tensione r.m.s. tra i conduttori attivi per la somma dalla 2a alla 30a armonica).
È stato riscritto il capitolo relativo agli aspetti EMC adottando una metodologia di approccio simile a quella adottata dalla Norma IEC 61439-1, nel quale si è sancito che i test per immunità ed emissione sono richiesti, a meno che:
- i dispositivi e i componenti incorporati siano conformi ai requisiti EMC per lo specifico ambiente EMC dello specifico standard di prodotto (o generico in mancanza di quello specifico);
- l’installazione e il cablaggio siano conformi alle istruzioni fornite dal costruttore dei dispositivi e dei componenti per quanto riguarda le mutue influenze (cablaggio, schermatura, messa a terra, ecc.) o in conformità con le indicazioni dell’Allegato H se non sono disponibili istruzioni dal costruttore.
Di fatto, è un approccio modulare anche ai fini della conformità alla Direttiva EMC nonostante la norma IEC 60204-1, quando pubblicata a livello CENELEC, non sarà armonizzata per tale Direttiva poiché non detta limiti precisi di immunità e di emissione.
È stato poi precisato che i limiti di temperatura prescritti per il funzionamento dell’equipaggiamento elettrico si riferiscono alla temperatura all’esterno di involucri, nonché indicato che per altitudini superiori ai 1000 m occorre tenere conto della riduzione di resistenza dielettrica, capacità di commutazione e raffreddamento dei componenti applicando adeguati fattori di correzione.
Per i conduttori di alimentazione e dei dispositivi di sezionamento, è stato concesso che il punto di collegamento del conduttore di terra esterno verso l’equipaggiamento elettrico sia non più solo in un morsetto vicino ai morsetti dei conduttori di alimentazione in ingresso, ma in un qualsiasi altro punto dell’involucro in cui entra purché dello stesso comparto dove sono ammarati i terminali dei conduttori di alimentazioni esterni.
È stato aggiornato anche l’elenco dei tipi di dispositivi ammessi come dispositivi di sezionamento generale dell’alimentazione, dove i dispositivi di sezionamento con contatto anticipato per aprire il carico prima del sezionamento sono stati sostituiti dai dispositivi di sezionamento conformi alla Norma IEC 60947-6-2 (denominati ACP). Sono stati poi ammessi anche dispositivi di sezionamento in accordo a standard IEC che soddisfano il requisito di isolamento senza più richiamare espressamente solo la Norma IEC 60947-2. Circa le caratteristiche richieste per i dispositivi di sezionamento è stato indicato che riguardo al potere di interruzione di tali dispositivi, in presenza di convertitori all’interno dell’equipaggiamento elettrico il calcolo del potere di interruzione deve tenere conto dell’effetto di questi dispositivi.
Aggiunta un’ulteriore interessante eccezione al requisito per i mezzi operativi (ad esempio, maniglie) utilizzati per azionare il dispositivo di sezionamento generale dell’alimentazione dell’equipaggiamento elettrico che impone il loro collocamento all’esterno degli involucri (ad eccezione dei servocomandi per i quali si possono utilizzare pulsanti per azionare l’apertura del dispositivo di sezionamento generale); è stata concessa la possibilità di coprire tali dispositivi con un involucro o un coperchio supplementare (per protezione contro gli effetti delle condizioni ambientali o danni meccanici) a condizione che:
- non sia necessaria una chiave o un attrezzo per accedere a tali dispositivi;
- sia chiaramente identificato dove si trovano tali dispositivi;
- non siano utilizzati anche come attuatori della funzione di arresto emergenza.
Per evidenziare dove si trovano i dispositivi protetti da involucro o protezione supplementare è stato suggerito un metodo non vincolante che indica di utilizzare, a seconda che si tratti di sezionatori o interruttori automatici, rispettivamente i simboli indicati in figura 1 e figura 2.

Figura 1 – Simbolo dispositivo di sezionamento.

Figura 2 – Simbolo interruttore automatico.
Ci sono significativi cambiamenti anche a riguardo della protezione contro le tensioni residue, dove è stato richiesto che se l’equipaggiamento elettrico è posizionato in luoghi accessibili a tutti (incluso i bambini), la sola apposizione di avvisi che indicano il tempo di attesa prima di accedere a parti elettriche dopo che la tensione residua è scesa ad un valore non pericoloso non è consentita, ma occorre garantire per le parti con tensioni residue almeno il grado di protezione IP4X o IPXXD.
A riguardo della protezione contro i contatti indiretti (denominata “protezione contro il guasto”) si è ammesso che per la protezione mediante interruzione automatica dell’alimentazione in caso di sistema TT si possano utilizzare dispositivi di protezione contro la sovracorrente (purché la resistenza RA si possa assumere affidabile e permanente nei suoi valori e secondo le indicazioni della nuova parte A.2 dell’Allegato A) o dispositivi di protezione differenziale (RCD), fermo restando che in Italia per i sistemi TT l’uso di interruttori differenziali resta l’unica via percorribile per la protezione contro i guasti.
Per i sistemi IT l’uso obbligatorio del controllore di isolamento sulla macchina è stato rimosso rimandando la sua fornitura solo a seguito di un accordo con l’utilizzatore. È stato poi precisato come realizzare correttamente la protezione contro il guasto se presenti azionamenti (PDS) dove, a prescindere dal tipo di sistema di distribuzione, la protezione può essere operata solo fino alla linea di alimentazione di tale dispositivo, mentre per la protezione di quanto a valle di tale dispositivo si devono seguire le indicazioni del costruttore di tale PDS.
In merito alla protezione dell’equipaggiamento elettrico, nell’art. 7.4 “Protezione contro temperature anomale” si è precisato che tale protezione non è più limitata ai circuiti di resistenze di riscaldamento o a generici circuiti che possono provocare temperature pericolose, ma che riguarda tutto l’equipaggiamento elettrico. Ancora più importante è invece l’introduzione di un nuovo art. 7.10 “Corrente di cortocircuito”, il quale richiede espressamente che le correnti di cortocircuito dell’equipaggiamento elettrico vengano determinate sia mediante prove, sia mediante regole di progetto, sia mediante calcoli (richiamando in una nota la possibilità di riferirsi ad alcune norme o specifiche tecniche, inclusa la Norma IEC 61439-1).
Completamente riscritto invece l’art.8 relativo ai collegamenti equipotenziali; in figura 3 è schematizzata la struttura dei collegamenti equipotenziali di un equipaggiamento elettrico di macchina riportata nella norma.

Figura 3 – esempio di collegamenti equipotenziali per un equipaggiamento elettrico.
Nella figura 3 i conduttori indicati sono:
- dall’1 al 5 parte del circuito equipotenziale di protezione;
- dal 6 all’11 parti collegate al circuito equipotenziale di protezione ma che non devono essere utilizzate come conduttori di protezione;
- il numero 12 un collegamento funzionale al circuito equipotenziale di protezione.
Da notare il collegamento indicato con il numero (9) che collega un conduttore limitrofo alla macchina necessario se esistono parti conduttrici distanti non più di 2,5 m dal circuito equipotenziale della macchina stessa e che sono suscettibili di introdurre un potenziale diverso dal potenziale dell’equipaggiamento elettrico (le cosiddette masse estranee).
In questo caso, il vincolo è solo di indicare nelle istruzioni d’uso di collegare queste masse estranee ad un morsetto preciso del circuito equipotenziale di precisione.
Dopo aver meglio precisato la sezione minima che ogni conduttore di protezione deve avere quando non fa parte di un cavo o quando non è in involucro insieme ai suoi conduttori di fase, nell’art. 8 della norma è stato anche meglio precisato che possono essere usate come conduttori equipotenziali anche strutture metalliche o piastre, purché:
- resistano al passaggio della corrente di guasto;
- non si verifichino fenomeni elettrochimici;
- consentano il collegamento ad altri conduttori nei punti predeterminati;
- siano conformi ai requisiti dell’art. 543.1 della Norma IEC 60364-5-54 oppure alla Tabella 1 della norma, fermo restando i vincoli prescritti all’art. 8.2.6 (requisiti addizionali per l’equipaggiamento elettrico con corrente dispersa maggiore di 10 mA).
Proprio l’art. 8.2.6 è stato oggetto di un’importante revisione (ex articolo 8.2.8 nella edizione precedente) al quale sono stati aggiunti ulteriori due punti in merito alle condizioni per l’integrità dei conduttori PE percorsi dalla corrente di dispersione.
Ci sono cambiamenti importanti anche nell’art. 9 relativo ai circuiti e funzioni di comando e controllo.
Le sorgenti di alimentazione dei circuiti alimentati in AC (salvo l’eccezione di circuiti di comando alimentati direttamente dalla rete) sono state meglio esemplificate specificando il tipo e la norma di rispondenza, ossia:
- trasformatori di controllo con avvolgimenti separati in accordo alla Norma IEC 61558-2-2;
- alimentatori switching in accordo alla Norma IEC 61558-2-16 completi di trasformatore con avvolgimenti separati;
- alimentatori di potenza in accordo alla Norma IEC 61204-7 dotati di trasformatore ad avvolgimenti separati.
Sono cambiate anche le prescrizioni per le tensioni massime (ora preferibili) dei circuiti di comando e controllo alimentati mediante trasformatore o alimentatore, indicando i seguenti valori:
- per circuiti alimentati in AC 230 V a 50 Hz e 277 V a 60 Hz;
- per circuiti alimentati in DC non superiore a 220 V.
In merito alla funzione di arresto emergenza è stato aggiunta una nuova eccezione, peraltro non contemplata nella Direttiva Macchine. Questa nuova eccezione recita:
“In alcuni casi, per evitare rischi aggiuntivi, può essere necessario controllare e mantenere la potenza agli attuatori di macchina anche dopo che l’arresto è stato raggiunto. La condizione di stop deve essere monitorata e al rilevamento del guasto della condizione di stop, la potenza deve essere rimossa senza creare una situazione pericolosa”.
Si osservi che quanto sopra è un’eccezione applicabile solo dopo aver dimostrato che l’arresto di emergenza, per come previsto nella Direttiva Macchine, può creare rischi addizionali per le persone (non certo danni alla produzione): senza tale condizione l’eccezione non è applicabile alla funzione di arresto emergenza.
Ristrutturate radicalmente le prescrizioni per i circuiti di comando senza cavo; particolarmente importante il requisito per cui un arresto di emergenza su postazione di comando senza fili non deve essere l’unico dispositivo di arresto emergenza della macchina, ce ne deve essere almeno un secondo in una postazione fissa (a prescindere dalla tecnologia usata, ossia con o senza cavi).
È stato poi finalmente riscritto in modo corretto l’articolo della norma relativo alla sospensione delle misure di sicurezza o delle misure di protezione, in linea con il requisito corrispondente della Direttiva 2006/42/CE.
Il capitolo relativo alle prescrizioni per le funzioni di controllo in caso di guasto è stato ristrutturato in modo più organico, precisando tra l’altro che i circuiti dell’equipaggiamento elettrico valutati come circuiti di sicurezza ma per i quali applicando la Norma IEC 62061 si arrivi a determinare che il livello di prestazione richiesto è inferiore a SIL1, l’uso della sola Norma IEC 60204-1 è ritenuto sufficiente.
Per spiegare meglio le possibili metodologie utilizzabili per evitare che un guasto di isolamento possa creare pericolosi malfunzionamenti ai circuiti di comando, sono stati indicati ed illustrati i seguenti metodi:
- Metodo a) Circuito alimentato da trasformatore con circuito riferito a terra;
- Metodo b) Circuito alimentato da trasformatore con circuito non riferito a terra, suddiviso in:
- b1) uso di doppi contatti solidali sul circuito di comando,
- b2) interruzione circuito mediante controllore di isolamento,
- b3) uso del controllore di isolamento con la sola segnalazione senza interruzione (nei casi in cui una interruzione del circuito possa creare situazioni pericolose);
- Metodo c) Circuito alimentato da trasformatore a presa centrale collegata a terra;
- Metodo d) Circuito non alimentato da trasformatore, suddiviso in:
- d1a) circuito alimentato tra neutro e fase per Sistemi TT o TN (riferiti a terra),
- d1b) circuito alimentato tra fase e fase per Sistemi TT o TN (riferiti a terra),
- d2a) circuito alimentato tra neutro e fase per Sistemi IT (non riferito a terra),
- d2b) circuito alimentato tra fase e fase per Sistemi IT (non riferito a terra).
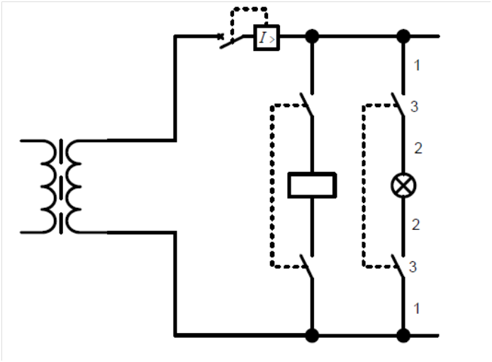
A titolo esemplificativo, si riporta di seguito il caso b1) (figura 4).

Figura 4 – Caso b1) Circuito alimentato da trasformatore con circuito non riferito a terra, uso di doppi contatti solidali sul circuito di comando.
Circa le prescrizioni per l’interfaccia operatore si segnala la cancellazione della tabella 2 “Codice-colori per i pulsanti e loro significato” e l’estensione anche ai circuiti sonori dell’obbligo di poter verificare il corretto funzionamento dei circuiti utilizzati per avvisare le persone.
Rimosso anche il riferimento all’accordo tra costruttore e utilizzatore per poter deviare da quanto indicato nella norma alla colorazione delle segnalazioni luminose (libertà di scelta quindi circa la colorazione desiderata).
Importante invece la modifica della prescrizione del collocamento dei dispositivi di attuazione della funzione di emergenza per la quale si richiede, in modo più flessibile rispetto a prima, che tale dispositivo sia collocato in ogni posizione dove l’attivazione della funzione di emergenza possa essere richiesta.
Nell’art. 11 della nuova edizione è stato chiarito meglio l’art. 11.2.3 “Effetti del riscaldamento”, dove si è detto chiaramente che la temperatura all’interno degli involucri di un equipaggiamento elettrico non deve eccedere la temperatura massima specificata per ciascun componente (citando in nota il metodo di verifica mediante calcolo secondo IEC/TR 60890).
Il solo cambiamento degno di nota è relativo all’art. 12 “Cavi e conduttori” e all’art. 12.5 “Caduta di tensione di conduttori e cavi”, dove è stato specificato che il limite del 5% di caduta di tensione riguarda i conduttori di potenza mentre per i conduttori dei circuiti di comando la caduta di tensione non viene specificata, ma si prescrive non riduca la tensione al di sotto di quella minima richiesta dalle specifiche indicate dai costruttori dei componenti utilizzati (tenendo conto anche delle correnti di spunto).
Nell’art. 13 “Tecniche di cablaggio” è stato introdotto invece un nuovo articolo 13.1.4 “Circuiti AC – effetti elettromagnetici (prevenzione delle correnti parassite)” e inserito un nuovo requisito che vieta di distribuire conduttori di un circuito in diversi canali o conduttori multipolari.
Riguardo ai conduttori di protezione equipotenziale è stata introdotta la possibilità di identificarli con il simbolo in figura 5.

Figura 5 – Simbolo conduttori di protezione equipotenziali.
Nel art. 14 “Motori elettrici ed equipaggiamenti associati” è stato rimosso il grado minimo di protezione richiesto per i motori, mentre all’art. 15.1 “Prese per accessori” è stato reso obbligatorio l’uso di un dispositivo di protezione differenziale (RCD) con una corrente nominale non superiore a 30 mA per circuiti che alimentano prese con corrente nominale non superiore a 20 A.
Nell’art. 16 “Marcatura, segnali di avvertimento e designazioni di riferimento” è stata regolamentata la marcatura degli involucri dell’equipaggiamento elettrico (non più dell’equipaggiamento elettrico in generale), raccomandando che la targa sia posizionata vicino ad ogni alimentazione in ingresso all’equipaggiamento elettrico. Riguardo alla marcatura è stato:
- specificato che non solo il marchio di certificazione, ma anche altre marcature possono essere richieste da legislazioni locali o regionali;
- eliminato dalla targa il riferimento alla corrente di cortocircuito dell’equipaggiamento elettrico (da indicare comunque nella documentazione dell’equipaggiamento elettrico).
L’art. 17 “Documentazione tecnica” ha subito cambiamenti sostanziali ed è stato ridotto a soli due articoli, il primo per imporre la preparazione della documentazione tecnica necessaria a tutte le fasi di vita dell’equipaggiamento elettrico (trasporto, montaggio, installazione, ecc.) e il secondo dove è indicata la lista delle informazioni da fornire. In merito alle possibili normative utilizzabili per la redazione della documentazione tecnica si rimanda ad un nuovo Allegato I (informativo) che le elenca.
Ci sono novità anche all’art. 18 “Verifiche” che passano da sei a otto, ossia:
- verifica che l’equipaggiamento elettrico sia conforme alla sua documentazione tecnica;
- verifica della continuità del circuito equipotenziale di protezione (test 1 di 18.2.2);
- in caso di protezione contro i contatti indiretti mediante interruzione automatica, verifica che siano soddisfatte le condizioni conformemente all’art. 18.2;
- prova della resistenza di isolamento;
- prova di tensione;
- verifica protezione contro tensioni residue;
- verifica che siano soddisfatti i requisiti relativi all’art. 8.2.6;
- prove funzionali.
Le verifiche a), b), c) e h) sono obbligatorie, le restanti, se applicabili, sono lasciate all’analisi del rischio del costruttore dell’equipaggiamento elettrico. Rispetto alla precedente edizione della norma sono state aggiunte le verifiche del punto b), sempre necessaria a prescindere dal tipo di sistema di distribuzione, e del punto g), quest’ultima peraltro senza descrivere le modalità di esecuzione della stessa. In merito alla verifica della protezione contro il guasto mediante interruzione automatica della alimentazione è stato inserito l’obbligo di provare, ove utilizzati, i dispositivi di protezione differenziale (RCD) in conformità alle istruzioni del relativo costruttore, specificando nelle istruzioni le modalità e la frequenza delle verifiche da effettuare.
Miglioramenti sono stati anche apportati al testo delle tabelle 9 e 10 della norma utilizzate nei sistemi TN per la verifica della protezione contro i contatti indiretti mediante interruzione dell’alimentazione.
La nuova edizione della Norma IEC 60204-1, prevede infine i seguenti due nuovi allegati rispetto alla precedente edizione:
- Allegato H: Misure per ridurre gli effetti delle influenze elettromagnetiche;
- Allegato I: Documentazioni/informazioni.
I cambiamenti più rilevanti sono concentrati nell’Allegato A (unico normativo) della norma ed inerente alla verifica della protezione contro il guasto mediante interruzione automatica della alimentazione che è stato esteso anche ai sistemi TT.
Da segnalare che nell’Allegato A si è precisato che la misura dell’impedenza dell’anello di guasto per la verifica della corretta realizzazione dell’interruzione automatica della alimentazione come misura di protezione contro i contatti indiretti in presenza di PDS si deve fermare ai morsetti di ingresso (in figura 6 per il caso di sistemi TN) del modulo azionamento base (BDM); a valle di questo fanno testo, per ora, le istruzioni del costruttore del PDS (Power Drive System).

Figura 6 – Misura dell’impedenza dell’anello di guasto per il caso di sistemi TN.
Analoga figura è stata inserita nell’Allegato A per quanto riguarda i sistemi di distribuzione TT.
Nell’Allegato B, oltre ad allinearlo ai cambiamenti del testo della norma, sono state inserite nuove domande,
Il nuovo Allegato H fornisce invece informazioni circa le tecniche per ridurre gli effetti delle interferenze elettromagnetiche; si tratta di un allegato informativo che indica i principali accorgimenti ingegneristici per aumentare l’immunità alle emissioni EMC e ridurre le emissioni di disturbo EMC generate dall’equipaggiamento elettrico.
Infine il nuovo Allegato I (informativo) propone una lista di norme, prevalentemente del CT 3, che possono essere utilizzate per la preparazione di informazioni e documentazioni.
Fonte CEI
https://ceimagazine.ceinorme.it/ceifocus/nuova-6a-edizione-2016-della-norma-iec-60204-1/
Collegati
Tags: Normazione Norme CEI

