Impianto di terra: le definizioni e caratteristiche CEI 64-8
| ID 6891 | | Visite: 175943 | Documenti impianti riservati | Permalink: https://www.certifico.com/id/6891 |

Impianto di terra: le definizioni e caratteristiche previste da CEI 64-8/2, CEI 64-8/4 e CEI 64-8/5 - Ed. 2025 Aggiornato CEI 64-8 2024
ID 6891 | Rev. 1.0 del 09.02.2025 / Documento completo allegato
Le definizioni e le caratteristiche di installazione degli elementi principali di un impianto elettrico di terra in accordo con CEI 64-8/2 (2024), CEI 64-8/4 (2024) e CEI 64-8/4 (2024), in rosso novità Ed. 2024 rispetto Ed. 2021 ed in azzurro i commenti riportati nelle norme.
CEI 64-8/2 (2024)
Impianti elettrici utilizzatori a tensione nominale non superiore a 1 000 V in corrente alternata e a 1500 V in corrente continua
Parte 2: Definizioni
CEI 64-8/4 (2024)
Impianti elettrici utilizzatori a tensione nominale non superiore a 1 000 V in corrente alternata e a 1 500 V in corrente continua
Parte 4: Prescrizioni per la sicurezza
Impianti elettrici utilizzatori a tensione nominale non superiore a 1 000 V in corrente alternata e a 1 500 V in corrente continua
Parte 5: Scelta ed installazione dei componenti elettrici
Impianti elettrici utilizzatori a tensione nominale non superiore a 1 000 V in corrente alternata e a 1500 V in corrente continua
Parte 2: Definizioni
...
23.2 Massa
Parte conduttrice di un componente elettrico che può essere toccata e che non è in tensione in condizioni ordinarie, ma che può andare in tensione in condizioni di guasto.
NOTA Una parte conduttrice che può andare in tensione solo perché è in contatto con una massa non è da considerare una massa.
Una parte metallica è considerata accessibile non solo quando è a portata di mano, ma anche quando può venire toccata nel servizio ordinario.
Una parte conduttrice che può andare in tensione in caso di cedimento dell’isolamento principale, posta dietro un involucro o una barriera non saldamente fissati o rimovibili senza l’uso di un attrezzo, è da considerare una massa se diviene accessibile dopo la rimozione dell’involucro o della barriera; se invece l’involucro o la barriera sono saldamente fissati o sono rimovibili solo con l’uso di un attrezzo, le parti retrostanti non sono da considerare masse, se non è necessario rimuovere l’involucro o la barriera nell’esercizio ordinario.
Una parte metallica non accessibile, che non è in tensione nel servizio ordinario, ma che può andare in tensione in caso di cedimento dell’isolamento principale, viene denominata parte intermedia.
23.3 Massa estranea
Parte conduttrice non facente parte dell’impianto elettrico in grado di introdurre un potenziale, generalmente il potenziale di terra.
Esempi di masse estranee sono:
- elementi metallici facenti parte di strutture di edifici;
- condutture metalliche di gas, acqua e per riscaldamento.
Sono da considerare masse estranee (che possono introdurre il potenziale di terra) le parti metalliche non facenti parte dell’impianto elettrico (tubazioni, infissi, ecc.) che presentano verso terra un valore di resistenza inferiore a 1 000 Ω in tutti gli ambienti ai quali si applica la Norma CEI 64-8.
Tuttavia nei cantieri di costruzione, nei locali ad uso zootecnico, previsti per la custodia del bestiame, nei locali ad uso medico di gruppo 2 (Sezione 710 della Parte 7), senza pericolo di microshock e nei locali di gruppo 1, in cui si ha UL = 25 V, sono da considerare masse estranee le parti metalliche non facenti parte dell’impianto elettrico che presentano un valore di resistenza verso terra inferiore a 200 Ω.
Nei locali medici di gruppo 2, con pericolo di microshock, per massa estranea si intende una parte metallica che presenta una resistenza verso terra minore di 0,5 Ω.
24.2 Dispersore
Corpo conduttore o gruppo di corpi conduttori in contatto elettrico con il terreno e che realizza un collegamento elettrico con la terra.
Il dispersore è intenzionale quando è installato unicamente per scopi inerenti alla messa a terra di impianti elettrici.
Il dispersore è di fatto quando è installato per scopi non inerenti alla messa a terra di impianti elettrici.
24.5 Conduttore di protezione
Conduttore prescritto per alcune misure di protezione, per esempio contro i contatti indiretti per il collegamento di alcune delle seguenti parti:
- masse;
- masse estranee;
- collettore (o nodo) principale di terra;
- dispersore;
- punto di terra della sorgente o neutro artificiale.
24.6 Conduttore PEN
Conduttore che svolge insieme le funzioni sia di conduttore di protezione sia di conduttore di neutro.
NOTA Il simbolo PEN risulta dalla combinazione del simbolo PE per il conduttore di protezione e del simbolo N per il conduttore di neutro.
24.7 Conduttore di terra
Conduttore di protezione che collega il collettore (o nodo) principale di terra al dispersore o i dispersori tra loro.
[/panel]24.7 Le parti non isolate dei conduttori di terra interrati sono considerate come facenti parte del dispersore. [/panel]
24.8 Collettore (o nodo) principale di terra
Elemento previsto per il collegamento al dispersore dei conduttori di protezione, inclusi i conduttori equipotenziali e di terra, nonché i conduttori per la terra funzionale, se esistente.
24.9 Collegamento equipotenziale
Collegamento elettrico che mette diverse masse e masse estranee al medesimo potenziale.
24.10 Conduttore equipotenziale
Conduttore di protezione destinato ad assicurare il collegamento equipotenziale.
24.11 Impianto di terra
Sistema costituito da dispersori e conduttori di terra, collettori (o nodi) principali di terra e dai conduttori di protezione ed equipotenziali, necessario a realizzare la messa a terra di protezione e/o di funzionamento.
24.12 Conduttore PEM
Conduttore che unisce le funzioni di conduttore di protezione e conduttore mediano, vedi 312.1.2.
Impianti elettrici utilizzatori a tensione nominale non superiore a 1 000 V in corrente alternata e a 1 500 V in corrente continua
Parte 4: Prescrizioni per la sicurezza
411.3.1 Messa a terra e collegamento equipotenziale principale
411.3.1.1 Messa a terra
Le masse devono essere collegate a un conduttore di protezione nelle condizioni specifiche di ciascun modo di collegamento a terra come specificato negli Articoli da 411.4 a 411.6. Le masse simultaneamente accessibili devono essere collegate allo stesso impianto di terra. NOTA Per i requisiti di messa a terra e dei conduttori di protezione, vedi il Capitolo 54. Ogni circuito deve avere un conduttore di protezione collegato al collettore di terra.
411.3.1.2 Collegamento equipotenziale principale
In ogni edificio il conduttore di protezione, il conduttore di terra, il collettore principale di terra e le seguenti masse estranee e/o Parti conduttrici devono essere connesse al collegamento equipotenziale principale:
- i tubi che riforniscono i servizi all’interno degli edifici, per esempio il gas, l’acqua, i sistemi di teleriscaldamento comprese le canalizzazioni del riscaldamento centrale e del condizionamento d’aria;
- le Parti strutturali metalliche dell’edificio;
- le armature principali del cemento armato utilizzate nella costruzione degli edifici, se praticamente possibile.
Quando tali Parti conduttrici provengano dall’esterno dell’edificio, esse devono essere collegate il più vicino possibile al loro punto di entrata nell’edificio. I conduttori equipotenziali principali devono rispondere alle prescrizioni del Capitolo 54. I tubi metallici che entrano nell’edificio, provvisti di una Sezione isolante installata nel loro punto di ingresso, non necessitano del collegamento equipotenziale principale. NOTA L’Articolo 542.4.1 della Parte 5 elenca le altre connessioni che devono essere effettuate al collettore principale di terra (MET)
415.2 Protezione addizionale mediante collegamento equipotenziale supplementare
NOTA 1
Il collegamento equipotenziale supplementare è considerato una protezione addizionale nei confronti dei contatti indiretti
NOTA 2 L’utilizzo del collegamento equipotenziale supplementare non esclude la necessità di scollegare l’alimentazione per altri motivi, a esempio per protezione contro l’incendio, sollecitazioni termiche nell’apparecchiatura, ecc
NOTA 3 Il collegamento equipotenziale supplementare può interessare, l’intero impianto, una sua Parte, una Parte di un’apparecchiatura, o un ambiente
NOTA 4 Prescrizioni addizionali possono essere necessarie per ambienti speciali (vedi le corrispondenti Sezioni della Parte 7) o per altri motivi
415.2.1 Il collegamento equipotenziale supplementare deve comprendere tutte le masse simultaneamente accessibili di componenti fissi dell’impianto e tutte le masse estranee, comprese le armature principali del cemento armato utilizzato nella costruzione degli edifici, se praticamente possibile. Il sistema di collegamento equipotenziale deve essere connesso ai conduttori di protezione di tutti i componenti dell’impianto, compresi quelli delle prese a spina.
415.2.2 La resistenza R tra ogni massa e ogni massa estranea simultaneamente accessibile deve soddisfare la seguente condizione:
...
Parte 5: Scelta ed installazione dei componenti elettrici
54 Messa a terra e conduttori di protezione
Le definizioni di PEM e terra di fondazione sono riportate negli articoli 24.12 e 24.13 della Parte 2 della presente Norma.
Nell’Allegato 54A ai Commenti a questo Capitolo 54 è riportato un esempio di un impianto di terra, avente lo scopo di mostrare i vari componenti dell’impianto di terra descritti in questo Capitolo.
Raccomandazioni per l’esecuzione degli impianti di terra negli edifici per uso residenziale e terziario sono riportate nella Guida CEI 64-12.
Raccomandazioni per l’esecuzione degli impianti di terra negli stabilimenti industriali per sistemi di I, II e III categoria sono riportate nella Norma CEI EN 50522.542.1.2 La scelta e l’installazione dei componenti dell’impianto di terra devono essere tali che:
- l’efficienza dell’impianto di terra si mantenga nel tempo;
- le correnti di guasto e di dispersione a terra possano essere sopportate senza danni, in particolare dal punto di vista delle sollecitazioni di natura termica, termomeccanica ed elettromeccanica;
- i materiali abbiano adeguata solidità o adeguata protezione meccanica, tenuto conto delle influenze esterne.
542.1.4 Quando l’alimentazione di un impianto è derivata da sistemi di II e III categoria, la protezione contro i guasti tra questi sistemi e la terra deve soddisfare le prescrizioni della Norma CEI EN 61936-1 e della Norma CEI EN 50522.
542.2 Dispersori
542.2.1 Il dispersore può essere costituito da:
- tondi, profilati, tubi;- nastri, corde;
- piastre;
- conduttori posti nello scavo di fondazione;
- ferri di armatura nel calcestruzzo incorporato nel terreno;
- tubazioni metalliche dell’acqua, purché siano soddisfatte le condizioni di 542.2.5;
- altre strutture interrate adatte allo scopo (vedere anche 542.2.6).
NOTA 1 L’efficacia di qualsiasi dispersore dipende dalle condizioni locali del terreno; si devono scegliere:
- uno o più dispersori adatti alle condizioni del terreno ed al valore della resistenza di terra richiesto.
- il valore della resistenza di terra del dispersore può essere calcolato o misurato.
NOTA 2 Per i binari dei sistemi elettrici ferroviari, tranviari, filoviari e metropolitani si applicano le Norme CEI EN 50122 in vigore.
Le apparecchiature elettriche direttamente collegate ai binari, alimentate da un sistema TT, come le casse di manovra, solidali per costruzione con il binario e in continuità elettrica con questo, non possono essere collegate ad altri impianti di terra e devono soddisfare le seguenti condizioni:
a) il valore della resistenza di terra della rotaia deve essere coordinato con il dispositivo di protezione contro i contatti indiretti,
b) nei sistemi in c.c. le apparecchiature elettriche non devono costituire un dispersore di fatto,
oppure:
dette apparecchiature devono avere i requisiti di protezione previsti per la classe II di isolamento.
542.2.2 Il tipo e la profondità di messa in opera dei dispersori devono essere tali che fenomeni di essiccamento o di congelamento del terreno non aumentino la resistenza di terra del dispersore al di sopra del valore richiesto.
542.2.3 I materiali utilizzati e la costruzione dei dispersori devono essere tali da sopportare i danni meccanici dovuti alla corrosione.
Le dimensioni minime per i dispersori intenzionali realizzati con i materiali comunemente usati, dal punto di vista della resistenza meccanica e della corrosione, sono indicate nella Tabella 54.1.
Per gli edifici nuovi, si raccomanda di prevedere una terra di fondazione.
542.2.4 Nel progettare un impianto di terra si deve tenere conto del possibile aumento, dovuto alla corrosione, della resistenza dell’impianto di terra.
Tabella 54.1 - Materiale e dimensioni minime dei dispersori per garantire la resistenza meccanica e alla corrosione
NOTA Si raccomanda che l’affidabilità dell’impianto di terra non dipenda da responsabili di altri servizi.
NOTA Questa disposizione non esclude il collegamento equipotenziale dell’impianto di terra con le parti metalliche di altri servizi eseguita in accordo con quanto stabilito per la protezione contro i contatti indiretti (Cap. 41).
542.2.7 La guaina di piombo, le armature e gli altri rivestimenti metallici di cavi non soggetti a danneggiamento per corrosione possono essere usati come dispersori soltanto con il consenso del proprietario delle condutture e se vengono date adeguate disposizioni in base alle quali il responsabile degli impianti elettrici venga informato di ogni modifica che si intenda apportare alle condutture stesse e che possa influenzare il loro corretto uso come dispersori.
542.2.8 I conduttori posti nello scavo di fondazione che sono usati come dispersori devono essere collegati in modo appropriato. La connessione del conduttore di terra al dispersore deve essere realizzata mediante saldatura o con connettori meccanici appropriati.
Il punto di connessione del conduttore di terra al collettore principale di terra deve essere accessibile.
542.2.9 Il dispersore non deve essere posizionato direttamente nelle acque di fiumi, di canali, di laghi o del mare. Quando però ciò risultasse necessario, si raccomanda di installare il dispersore a non meno di 5 m di profondità sotto il livello dell’acqua, oppure di vietare l’accesso alla zona che risultasse pericolosa.
- variazioni significative della resistenza di terra in caso di prosciugamento del luogo;
- contatto delle persone con l’acqua durante un guasto elettrico.
In ambienti non particolarmente aggressivi dal punto di vista chimico il rame e il ferro zincato, non provvisti di guaina, si considerano protetti contro la corrosione.
Anche le giunzioni con il dispersore non devono danneggiare né i conduttori di terra né gli elementi del dispersore (per es. tubi); si raccomanda che esse siano eseguite con saldatura forte o autogena o con appositi terminali o manicotti che assicurino un contatto equivalente a quello della saldatura. Esse possono essere direttamente interrate e non ispezionabili.
- i conduttori di protezione;
- i conduttori equipotenziali principali;
- i conduttori di terra funzionale, se richiesti.
...
NOTA Per i conduttori equipotenziali vedi la Sezione 547.
543.1 Sezioni minime La sezione del conduttore di protezione deve essere:
- calcolata come indicato in 543.1.1; oppure
- scelta come indicato in 543.1.2.
In entrambi i casi si deve tener conto, per quanto riguarda la sezione minima, dell’art. 543.1.3.
NOTA 1 morsetti delle apparecchiature devono essere dimensionati in modo tale che siano in grado di collegare i conduttori di protezione così determinati.
545 Impianto di terra funzionale
...
546 Impianto di terra combinato di protezione e funzionale
...
547 Conduttori equipotenziali
...
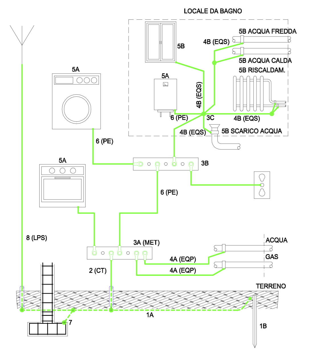
Allegato 54A (informativo)
Esempio di collegamenti di un impianto di terra
1A - Dispersore orizzontale (intenzio nale)
1B - Dispersore verticale (intenzio nale)
2 - Conduttore di terra CT (in tubazione protettiva)
3A - Collettore (o nodo) principale di terra MET
3B - Nodo di terra
3C - Nodo equipotenziale
4A - Collegamento equipotenziale principale EQP
4B - Collegamento equipotenziale supplementare EQS
5A – Massa
5B - Massa estranea se < 1,0 kΩ
6 - Conduttore di protezione PE
7 - Collegamento ai ferri dell’armatura del calcestruzzo armato (dispersore di fatto)
8 - LPS Sistema di protezione contro il pericolo di fulminazione diretta (quando presente)
Allegato 54B (informativo)
Metodo per ricavare il fattore K indicato in 543.1.1
...
Allegato 54C (informativo)
Terra di fondazione
...
Allegato 54D (informativo)
Dispersori
...
segue allegato
@Copia autorizzata Abbonati
| Rev. | Data | Oggetto | Autore |
| 1.0 | 09.02.2025 | CEI 64-9 Ed. 9 2024 | Certifico Srl |
| 0.0 | 27.09.2018 | --- | Certifico Srl |
| Descrizione | Livello | Dimensione | Downloads | |
|---|---|---|---|---|
| Impianto di terra - Definizioni e caratteristiche normative Rev. 1.0 2025.pdf Certifico S.r.l. Rev. 1.0 2025 |
804 kB | 182 | ||
| Impianto di terra - Definizioni e caratteristiche normative Rev. 00 2019.pdf Certifico S.r.l. Rev. 00 2019 |
294 kB | 456 |























