ISO/TS 19837:2018 - Trapped Key Interlocking Devices
| ID 7848 | | Visite: 57856 | Documenti Riservati Direttiva macchine | Permalink: https://www.certifico.com/id/7848 |
ISO/TS 19837:2018 - Safety of Machinery – Trapped Key Interlocking Devices
ID 7848 | 26.02.2019
Preview ISO/TS 19837:2018 and Document in attachment
ISO/TS 19837:2018 - Safety of Machinery - Trapped Key Interlocking Devices - Principles for design and selection
ISO/TS 19837:2018 specifies principles for the design, selection and application of trapped key interlocking devices and systems for machinery applications, independent of the type of energy used to control them or that they control. The requirements of this document apply to the safety related aspects of trapped key interlocking devices and systems.
ISO 14119 always applies unless an exception is given in this document.
ISO/TS 19837:2018 is intended to be used in conjunction with ISO 14119.
ISO/TS 19837:2018 does not provide testing requirements.
NOTE Documents addressing testing requirements can be found in the Bibliography.
ISO/TS 19837:2018 is the first international ISO document devoted specifically to trapped key interlocking and answers many of the questions that have arisen relating to performance levels, key coding, and power interlocking. It is a significant step forward which will provide more choice for users of interlock devices and systems.
Trapped Key Interlocking has its roots in the rail and power distribution industries where sequential control was, and still is, critical to safe, continuous operation. In the 1960s trapped key interlocking was gradually utilised by the manufacturing sector, where isolating machinery before gaining access, was the requirement.
Machinery with multiple energy sources and access points can be easily safeguarded using trapped key interlocks. Fortress Interlocks has developed specialised products over the years which can isolate air and hydraulic supplies as well as electrical power in sequence before allowing access points to be opened.
When ‘ISO14119:2013 Safety of Machinery – Interlocking device associated with guards, Principles for design and selection’ was published, trapped key interlocking had become no more than an annex, even the scope was clear that it did not provide all the specific requirements for trapped key systems. In many respects ISO14119:2013 served to confuse users and potential users familiar with decades of trapped key interlocks installations. ISO/TS 19837:2018, three years in the making, is a welcome addition to the existing suite of machinery safety standards. Perhaps the most critical question addressed is where mechanical or hybrid mechanical/electrical systems sit in relation to performance levels introduced in ISO 13849.
Power Interlocking is now more properly referred to as “Isolation control through direct mechanical action” and falls within the Safety Related Part of The Control System. This coupled with the section “Validating performance level” makes evaluating performance levels for trapped key systems much clearer.
The difference between actuators and keys is cleared up, following the confusion created in ISO14119:2013, and both are addressed in the “Terms and definitions” and “Symbols and abbreviated terms” sections.
The need for a schematic detailing the trapped key system operation and establishing key coding appears under “Key Transfer Plan” and will provide users with an excellent tool in the system design phase as well as a documented system layout after installation. Key coding and management is also addressed extensively.
A much-needed standardisation of symbols to represent trapped key interlocks will make it easier for customers to understand schematics, and the excellent pictorial examples throughout the document are useful for those building a trapped key interlock system.
The publication of ISO/TS 19837 will help to keep trapped key interlocking at the forefront of machine safety in the future, it is very much welcomed by Fortress. We have worked hard to ensure Fortress products meet the most stringent safety standards and our trapped key interlocks are no exception. It is good to finally have a document that helps our customers understand better how trapped key interlocks fit within the international machinery safety standards. For those seeking help our experienced team of sales engineers is able to provide support and guidance.”
Trapped Key Interlocking
Many machine designers think of interlocks as exclusively electrical devices; a switch is attached to a movable mechanical guard, and the switch is connected to the control system. Trapped Key Interlocking is a way to interlock guards that is equally effective, and often more appropriate in severe environmental conditions.
Trapped Key Interlocking [1]
I’ve provided some useful definitions and links to additional reading at the end of the article.
Trapped Key interlocking uses mechanical interlocking devices to ensure that guards remain closed unless the machinery is stopped.
Another significant benefit of trapped key interlocking is the ability of the interlocking devices to withstand infrequent use. Electrical interlocking devices can fail from lack of use, and these failures might not be detected by the automatic diagnostics provided by the safety relay, controller or safety PLC ISO 14119 [1, 8.2] discusses the need to physically test the operation of rarely used interlocks to ensure that the diagnostics can check the function of the interlocking device.
What is “Trapped Key Interlocking”?
Trapped Key Interlocking, also called key transfer interlocking, is a system of mechanical locks installed on gates, valves, etc. The system relies on the transfer of keys from a control device to a lock that controls access into the danger zone of the machine. The diagram below, [1, Fig. B.3], shows the simplest form, where a locking device is used to prevent the energization of a machine by locking the supply disconnecting device.
The simplest form of a trapped key interlock [1, Fig. B.3]
Guards can also be interlocked in this way, [1, Fig. B.5]. In this case, the locking device is used to shut off power to the hazardous motions, and the key is removed from the control device. The key is required to open the machine guard, where the key remains trapped until the guard is closed and locked. The key can then be returned to the control device, and power restored to the machine to allow it to run.
Simple trapped-key interlock with one guard [1, Fig. B.5]
The essential feature of the system is that the removable key is trapped either in the guard lock or the switch lock. The lock on the guard is arranged so that the key can only be released when the guard has been closed and locked. The key can then be transferred from the guard to the switch lock. Turning the key to the “ON” or “RUN” positions traps the key so that it cannot be removed (see [1, Fig. B.3] and [1, Fig. B.5]).
The operating principle is:
1. Turn the control key from the run position to the stop position and remove it from the control device lock.
2. Take the control key to the guard. Unlock the local guard locking device. As long as the guard is unlocked the key is trapped in the lock. Without that key, the machine can’t run, so the machine is safe.
3. Complete the work, close and lock the local guard.
4. Return the key to the control device on the control panel.
5. Switching the control device to “RUN” will permit the machine to run again when started with a separate start control.
Complex Access Control
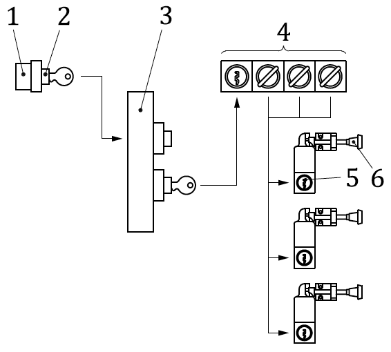
The approach described previously works well for simple, single-point interlocking, but there are many more complex situations where mechanical interlocks could be used. An additional component, called a “key transfer block,” is used to provide an intermediate location. Defined sequences of operations, time delays, and multiple access points can be controlled using this approach.
Trapped Key transfer block [2]
In a complex interlocking system, the control key is transferred from the control switch lock (2 in [1, Fig. B.6] below) to an intermediate key-transfer block (3 in [1, Fig. B.6] below). Turning the control key in this block releases one or more keys that then can be used to release access keys in a secondary transfer block (4 in [1, Fig. B.6] below). Individual guards can then be unlocked, and safe access permitted.
Complex interlocking using trapped keys. [1, Fig. B.6]
This same approach can be used at the guards, where another key can be released when the guard is unlocked. This key can then be taken inside the safeguarded space and used, for example, to release a robot teach pendant, or to enable robot teaching at reduced, “safe” speed.
Diagnostics
Since the field interlocks don’t have any electrical sensing in most systems, it is possible to have one of the field interlocking devices fail and have the failure go unnoticed or ignored. This can be mitigated in at least two ways:
1. Combine the mechanical interlock with an electrical interlocking device. You will lose some of the other advantages to the system by doing this, but if increased diagnostics are needed, an electrical interlock can help meet that requirement.
2. Combine the field interlocking device with either an electrical disconnecting means or a fluidic system supply valve so that power to the area is cut off when the guard is opened. Additional diagnostics can be added to these measures as well, allowing a designer to meet high diagnostic requirements.
Final Thoughts
Trapped key interlocking systems have many advantages, particularly in challenging environmental conditions, and where low-frequency of access increases the risk of undetected faults resulting in the loss of the safety function when the interlock fails. Trapped key systems have many other advantages and relatively few disadvantages, but are not used as frequently as electrical interlocking systems because safety system design is often done by controls designers who are more likely to seek an electrical or electrical/software solution before considering “old-school” mechanical solutions.
The next time you are designing an interlocking safety function for a machine, consider using a trapped key system.
Definitions
All definitions from [1] unless otherwise noted.
interlocking device
interlock
mechanical, electrical or other type of device, the purpose of which is to prevent the operation of hazardous machine functions under specified conditions (generally as long as a guard is not closed)
Note 1 to entry: See Figure 1 and Table 1.
[SOURCE: ISO 12100:2010, 3.28.1.]
interlocking guard
guard associated with an interlocking device so that, together with the control system of the machine, the following functions are performed:
- the hazardous machine functions “covered” by the guard cannot operate until the guard is closed;
- if the guard is opened while hazardous machine functions are operating, a stop command is given;
- when the guard is closed, the hazardous machine functions “covered” by the guard can operate (the closure of the guard does not by itself start the hazardous machine functions)
Note 1 to entry: An interlocking guard can contain/be equipped of one or more interlocking devices. These interlocking devices can also be of different types
[SOURCE: ISO 12100:2010, 3.27.4.]
guard locking device
device intended to lock a guard in the closed position and linked to the control system
interlocking guard with guard locking
guard associated with an interlocking device and a guard locking device so that, together with the control system of the machine, the following functions are performed:
- the hazardous machine functions “covered” by the guard cannot operate until the guard is closed and locked;
- the guard remains closed and locked until the risk due to the hazardous machine functions “covered” by the guard has disappeared, and
- when the guard is closed and locked, the hazardous machine functions “covered” by the guard can operate (the closure and locking of the guard do not by themselves start the hazardous machine functions)
[SOURCE: ISO 12100:2010, 3.27.5.]
tool
implement such as a key or wrench designed to operate a fastener
Note 1 to entry: An improvised implement such as a coin or a nail file cannot be considered as a tool.
[SOURCE: ISO 14120:2002, 3.9.]
power interlocking
1. interlocking which directly interrupts the energy supply to the machine actuators or disconnects moving parts from the machine actuators
Note 1 to entry: Resumption of the energy supply is only possible with the guard in the closed and locked position. “Directly” means that, unlike control interlocking, the control system does not play any intermediate role in the interlocking function.
ISO 14119:2013
2. interlocking which directly interrupts the energy supply to the machine actuators or disconnects moving parts from the machine actuators
[SOURCE: ISO 14119:2013, 3.31, modified — The Note 1 to entry has been deleted.]
ISO/TS 19837:2018(en), 3.15
trapped key interlocking system
system fulfilling safety function(s) or part of safety function(s) and comprising of at least two trapped key interlocking devices which work together through the transfer of a key
ISO/TS 19837:2018(en), 3.1
trapped key interlocking device
device, part of a trapped key interlocking system, which fulfils a function by trapping or releasing a key in a given system
ISO/TS 19837:2018(en), 3.3
access lock
trapped key interlocking device used to lock movable guards
Note 1 to entry: Access locks can also be used for locking in position of objects other than guards, e.g. isolators, valves or barriers.
ISO/TS 19837:2018(en), 3.5
personnel key
key which is released from a trapped key interlocking device (typically a access lock used in conjunction with whole body access) and retained by a person to prevent a hazardous situation, e.g. unexpected start-up.
ISO/TS 19837:2018(en), 3.13
control interlocking
function which allows access to hazardous machine functions if the energy supply is interrupted using indirect means
Note 1 to entry: Examples of indirect means can include a combination of relay modules, standstill monitoring devices, PLCs or other control devices/systems.
ISO/TS 19837:2018(en), 3.14
Example Trapped Key Interlocks [3]
Example Trapped Key Interlocks [4]
References
[1] Safety of machinery - Interlocking devices associated with guards - Principles for design and selection. ISO 14119:2013.
[2] Safety of machinery - Trapped key interlocking devices - Principles for design and selection. ISO/TS 19837:2018.
https://www.iso.org/standard/66335.html
http://store.uni.com/catalogo/index.php/iso-ts-19837-2018.html
Collegati
| Descrizione | Livello | Dimensione | Downloads | |
|---|---|---|---|---|
| ISO TS 19837 2018 - Trapped Key Interlocking Devices Rev. 00 2019.pdf Certifico S.r.l. Rev. 0.0 2019 |
418 kB | 151 | ||
| ISO TS 19837 2018 EN Preview.pdf |
370 kB | 39 |























