Ponteggi di facciata: Elementi / Designazione / Classificazione
| ID 18275 | | Visite: 14160 | Documenti Riservati Sicurezza | Permalink: https://www.certifico.com/id/18275 |
Ponteggi di facciata: Elementi / Designazione / Classificazione - Note 2022
ID 18275 | 04.12.2022 / Documenti completi in allegato
Il Documento illustra le norme di riferimento per i ponteggi di facciata sono la UNI EN 12810-1 e la UNI EN 12811-1 in relazione alla definizione dei loro Elementi, Designazione e Classificazione.
I ponteggi di facciata sono destinati ad essere utilizzati collegati alla facciata con ancoraggi.
Le norme UNI EN 12810-1 e UNI EN 12811-1 (insieme ad altre) sono di riferimento per l’Autorizzazione ministeriale alla costruzione ed all'impiego dei ponteggi di cui all’Art. 131 c. 3 del D.Lgs. 81/2008 (soggetta a rinnovo ogni 10 anni).
Vedi Documento: Ponteggi fissi: quadro normativo
…
Art. 131 - Autorizzazione alla costruzione ed all'impiego
1. La costruzione e l'impiego dei ponteggi realizzati con elementi portanti prefabbricati, metallici o non, sono disciplinati dalle norme della presente sezione.
2. Per ciascun tipo di ponteggio, il fabbricante chiede al Ministero del lavoro, della salute e delle politiche sociali l'autorizzazione alla costruzione ed all'impiego, corredando la domanda di una relazione nella quale devono essere specificati gli elementi di cui all'articolo seguente.
3. Il Ministero del lavoro, della salute e delle politiche sociali, in aggiunta all'autorizzazione di cui al comma 2 attesta, a richiesta e a seguito di esame della documentazione tecnica, la rispondenza del ponteggio già autorizzato anche alle norme UNI EN 12810 e UNI EN 12811 o per i giunti alla norma UNI EN 74.
..
5. L'autorizzazione è soggetta a rinnovo ogni dieci anni per verificare l'adeguatezza del ponteggio all'evoluzione del progresso tecnico.
...
Ponteggi di facciata realizzati con componenti prefabbricati - Parte 1: Specifiche di prodotto La presente norma è la versione ufficiale della norma europea EN 12810-1 (edizione dicembre 2003). La norma specifica i requisiti prestazionali e i requisiti generali per la progettazione costruttiva e valutazione per i sistemi di ponteggi di facciata prefabbricati.
Attrezzature provvisionali di lavoro - Parte 1: Ponteggi - Requisiti prestazionali e progettazione generale
La presente norma è la versione ufficiale della norma europea EN 12811-1 (edizione dicembre 2003). La norma specifica i requisiti prestazionali e i metodi di progettazione strutturale e generale per ponteggi di accesso e di lavoro.
UNI EN 12810-1:2004 / Estratto
La presente norma europea specifica i requisiti prestazionali e i requisiti generali del progetto strutturale e la valutazione di sistemi di ponteggio di facciata prefabbricati.
I ponteggi di facciata sono destinati ad essere utilizzati collegati alla facciata con ancoraggi. I sistemi di ponteggio sono classificati in base a sei criteri, vedere prospetto 1.
È limitata a sistemi di ponteggio di facciata aventi montanti di acciaio o lega di alluminio e altri elementi di questi stessi materiali o materiali derivati dal legno.
Definisce una serie base di configurazioni del sistema, dalle quali partire per realizzare il progetto strutturale. Altre configurazioni sono possibili in alcuni sistemi, ma non rientrano nel presente scopo e campo di applicazione.
La presente norma dovrebbe essere consultata congiuntamente alla EN 12811-1, al prEN 12811-2, alla EN 12811-3 e alla EN 12810-2 che specificano alcuni dei requisiti.
La presente norma non specifica i requisiti per parasassi. Non fornisce le indicazioni relative al montaggio, uso, smontaggio o manutenzione.
3 TERMINI E DEFINIZIONI
Ai fini della presente norma europea si applicano i termini e le definizioni riportati nella EN 12811-1 e i seguenti.
3.1 sistema di ponteggio:
a) serie di componenti collegati tra loro, prevalentemente progettati per il sistema di ponteggio, e
b) serie base di configurazioni del sistema valutate, e
c) manuale del prodotto.
3.2 componente: Parte di un sistema di ponteggio, che non può essere smontata ulteriormente, per esempio un telaio verticale o una diagonale.
3.3 elemento: Parte integrante di un componente (per esempio saldata), come il traverso di un telaio verticale.
3.4 dispositivo di collegamento: Dispositivo che collega due o più componenti.
3.5 configurazione: Disposizione particolare di componenti collegati.
3.6 configurazione del sistema: Configurazione del sistema di ponteggio comprendente un ponteggio completo o una sezione rappresentativa di esso.
3.7 serie base di configurazioni del sistema: Gamma di configurazioni del sistema specificate ai fini del progetto strutturale e della valutazione.
3.8 larghezza del sistema (SW): Classe di larghezza massima, come da prospetto 1 della EN 12811-1:2003, che può essere realizzata tra i montanti.
3.9 valutazione: Processo di controllo che stabilisce se tutto è conforme ai requisiti specificati nella presente norma.
Classificazione ponteggio di facciata UNI EN 12810-1
4 CLASSIFICAZIONE
Un sistema di ponteggio deve essere classificato in conformità al prospetto 1.
Prospetto 1 Classificazione dei sistemi di ponteggio
Designazione ponteggio di facciata / UNI EN 12810-1
5 DESIGNAZIONE
La designazione di un sistema di ponteggio in conformità alla presente norma, deve includere le parti seguenti.
(1) Classe del carico di servizio: vedere prospetto 1 (Prospetto 3 EN 12811-1)
(2) Prove di caduta su impalcati: (D) con prove di caduta o (N) senza prove di caduta
(3) Classe di larghezza del sistema: vedere prospetto 1/lunghezza di campo in cm (Prospetto 1 EN 12811-1)
(4) Classe di altezza libera di passaggio: vedere prospetto 1 (Prospetto 2 EN 12811-1)
(5) Rivestimento: (A) senza rivestimento; (B) con rivestimento: vedere prospetto 1
(6) Scala:(LA) con scala a pioli; (ST) scala a rampa o (LS) entrambe: vedere prospetto 1
Quando un sistema di ponteggio include più di una classe e/o dimensioni di carico, deve essere prevista una linea separata di designazione per ciascuna di esse.
...
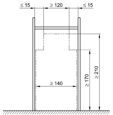
7.3.6.3 Ove si preveda un passaggio pedonale al disotto della lunghezza del ponteggio, lo spazio deve essere come da figura 2.
Figura 2 - Spazio libero minimo per passaggio pedonale
Dimensioni in centimetri
9 MANUALI
9.1 Generalità
Il fabbricante deve fornire una serie di istruzioni raccolte in un apposito manuale del prodotto.
Ciò costituisce la base per il progetto strutturale. Il contenuto è indicato nel punto 9.2.
Il fabbricante deve inoltre fornire un manuale di istruzioni per l'uso in cantiere, ossia una parte del manuale del prodotto. Il contenuto è illustrato nel punto 9.3.
9.2 Contenuto del manuale di prodotto
Il manuale del prodotto deve includere le informazioni seguenti, suddivise come evidenziato al punto 8 della EN 12811-1:2003:
a) un elenco di tutti i componenti con le descrizioni che consentano di identificarli; per esempio mediante un disegno;
b) le istruzioni per la successione di montaggio e smontaggio dei componenti e di come movimentarli;
c) la disposizione di ciascuna configurazione del sistema della serie di riferimento indicando le rispettive classi di carico e larghezza, le dimensioni generali, lo schema di ancoraggio e su come includere gli elementi ausiliari;
d) istruzioni relative agli ancoraggi di tutte queste circostanze;
e) una dichiarazione di limitazioni di uso in riferimento alla pressione dinamica del vento, al ghiaccio e alla neve;
f) una specifica completa degli elementi che non fanno parte dei componenti appositamente progettati, per esempio tubi sciolti e giunti;
Nota
Ciò consente di procedere al loro acquisto qualora non siano forniti dal fabbricante.
g) i carichi imposti alla facciata a cui è ancorato il ponteggio e carichi sulla fondazione dalle basette;
h) l'indicazione che i componenti chiaramente danneggiati non possono essere utilizzati;
i) eventuali istruzioni di stoccaggio, manutenzione o riparazione, ritenute appropriate da parte del fabbricante;
j) dati strutturali per componenti e dispositivi di collegamento come per esempio resistenze e rigidezza valutate mediante prove;
k) come ottenere ulteriori informazioni qualora le circostanze dell'applicazione potenziale non rientrino nella serie di riferimento di configurazioni del sistema, per esempio la temporanea rimozione di ancoraggi, o un'altezza maggiore di 25,5 m;
l) informazioni sulle restrizioni dell'applicazione di carichi tramite i giunti della EN 74 ai montanti descritti nel punto 7.3.5.4.
9.3 Contenuto del manuale di istruzioni
Il manuale di istruzioni deve includere gli elementi da a) fino a i) e k) del punto 9.2.
10 MARCATURA
Ciascun componente appositamente progettato deve essere marcato con:
a) un simbolo o lettere che identifichino il sistema di ponteggio e il suo fabbricante;
b) l'anno di fabbricazione, indicandolo mediante le ultime due cifre. In alternativa può essere utilizzato un codice per tenere traccia dell'anno di fabbricazione.
La marcatura deve essere disposta in modo tale da rimanere leggibile per tutta la durata di vita del componente. Le dimensioni delle lettere possono essere considerate in base alle dimensioni del componente.
UNI EN 12811-1:2004 / Estratto
La presente norma europea specifica i requisiti prestazionali e i metodi di progettazione strutturale e generale per i ponteggi di accesso e di servizio, definiti d’ora in poi ponteggi di servizio.
I requisiti forniti sono per strutture di ponteggi la cui stabilità è affidata alle strutture adiacenti. In generale questi requisiti si applicano anche ad altri tipi di ponteggi di servizio. Sono definiti requisiti normali ma è presente anche una disposizione per casi particolari.
La presente norma europea specifica anche le regolamentazioni di progettazione strutturale quando sono utilizzati determinati materiali e le regolamentazioni generali per attrezzature prefabbricate.
La norma esclude:
- impalcati sospesi mediante funi, sia fissi che mobili;
- impalcati mobili in orizzontale incluse le torri mobili di accesso;
- impalcati motorizzati;
- ponteggi utilizzati come protezione per lavori sui tetti;
- coperture temporanee.
Nota 1
La maggior parte dei ponteggi di servizio è formata da componenti prefabbricati o da tubi e giunti. Alcuni esempi di ponteggi di servizio sono i ponteggi di facciata, le torri statiche e i ponteggi a gabbia di uccello, ma non sono forniti dettagli per tutti questi esempi.
Nota 2
Le strutture di sostegno e i sistemi di puntellazione possono essere costituiti dagli stessi componenti strutturali descritti nella presente norma, ma non sono ponteggi di servizio.
Nota 3
Requisiti particolari per i ponteggi di facciata costituiti da componenti prefabbricati sono specificati nella EN 12810-1 e nella EN 12810-2.
…
Elementi ponteggio / UNI EN 12811-1
3 TERMINI E DEFINIZIONI
Ai fini della presente norma europea, si applicano i termini e le definizioni seguenti (vedere anche figura 1).
3.1 ancoraggio: Mezzo inserito nella struttura, o fissato ad essa, per fissare un elemento di
Nota
L’effetto di un ancoraggio si può ottenere collegando l’elemento a una parte della struttura destinata principalmente ad altri scopi, vedere punto 3.23.
3.2 basetta regolabile: Basetta con un mezzo per la regolazione verticale.
3.3 basetta: Piastra utilizzata per distribuire il carico su un’area maggiore in un montante.
3.4 ponteggio a gabbia di uccello: Struttura di ponteggi comprendente una griglia di montanti e un’area con impalcati solitamente destinata al servizio o al deposito.
3.5 controventatura nel piano orizzontale: Gruppo di componenti che fornisce rigidezza al taglio nei piani orizzontali, per esempio mediante componenti di impalcato, telai, pannelli a telaio, diagonali di controventatura e collegamenti rigidi tra traversi e correnti o altri elementi utilizzati per la controventatura orizzontale.
3.6 controventatura nel piano verticale: Gruppo di componenti che fornisce rigidezza al taglio nei piani verticali, per esempio telai chiusi con o senza controventature angolari, telai aperti, telai a scale con aperture di accesso, collegamenti rigidi o semirigidi tra i componenti orizzontali e verticali, diagonali di controventatura o altri elementi utilizzati per la controventatura verticale.
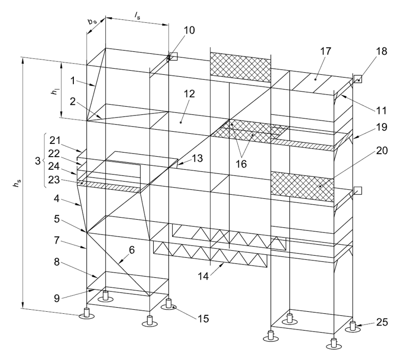
Figura 1 Esempi di componenti tipici di un sistema di ponteggi di facciata
Legenda
hs Altezza del ponteggio
bs Larghezza del campo del ponteggio, interasse dei montanti
ls Lunghezza del campo del ponteggio, interasse dei montanti
hl Altezza del ponteggio
1 Controventatura nel piano verticale
2 Controventatura nel piano orizzontale (3.5)
3 Protezione laterale (3.19)
4 Puntone della mensola (-)
5 Nodo (3.13)
6 Controventatura nel piano verticale
7 Montante (3.21)
8 Traverso (3.24)
9 Corrente (3.10)
10 Giunto (3.8)
11 Elemento di ancoraggio (3.23)
12 Impalcato (3.15)
13 Mensola (-)
14 Travi per passo carraio (-)
15 Basetta (3.3)
16 Elemento di impalcato (3.16)
17 Telaio orizzontale (-) (diagonale trasversale) (3.6)
18 Ancoraggio (3.1)
19 Telaio verticale (-)
20 Struttura di recinzione (5.5.5)
21 Corrente principale di parapetto (5.5.2)
22 Corrente intermedio di parapetto (5.5.3)
23 Fermapiede (5.5.4) (diagonale longitudinale) (3.6)
24 Montante di parapetto (-)
25 Basetta regolabile (3.2)
Nota 1
La figura serve solo per l’identificazione dei componenti e non illustra alcun requisito.
Nota 2
(-) Questi termini non sono contenuti nel testo ma sono utili per comprendere i vari componenti che possono essere utilizzati in un ponteggio di servizio.
5.2 Classi di larghezza
La larghezza, w, è la larghezza completa dell’area di lavoro includendo fino a 30 mm del fermapiede, vedere figura 2. Nel prospetto 1 sono indicate sette classi di larghezza.
Nota 1
In alcuni Paesi sono definite larghezze minime per vari tipi di attività lavorativa.
La distanza libera tra i montanti, c, deve essere almeno 600 mm; la larghezza libera delle scale a rampa non deve essere minore di 500 mm.
Ogni area di lavoro, angoli inclusi, deve avere la larghezza specificata per l’intera lunghezza. Questo requisito non si applica nell’immediata vicinanza di una coppia di montanti, dove deve essere presente un’area completamente priva di impedimenti con una larghezza minima, b e p, in conformità alle dimensioni fornite nella figura 2.
Nota 2
Quando l’area di lavoro contiene attrezzature o materiali, si dovrebbe considerare di mantenere spazio per il lavoro e l’accesso.
Prospetto 1 Classi di larghezza per le aree di lavoro
...
Figura 2 Requisiti per l’altezza libera di passaggio e la larghezza delle aree di lavoro
Legenda
b = spazio libero di transito, che deve essere almeno il maggiore tra 500 mm e (c - 250 mm)
c = distanza libera tra i montanti
h1a, h1b = altezza libera di passaggio tra le aree di lavoro e i traversi o gli elementi di ancoraggio rispettivamente
h2 = altezza libera alla spalla
h3 = altezza libera di passaggio tra le aree di lavoro
p = larghezza dell’altezza libera di passaggio, che deve essere almeno la maggiore tra 300 mm e (c - 450 mm)
w = larghezza dell’area di lavoro in conformità al punto 5.2
Dimensioni in millimetri
Prospetto 3 Carichi di servizio sulle aree di lavoro (vedere anche punto 6.2.2)
...
segue in allegato
Certifico Srl - IT | Rev. 0.0 2022
©Copia autorizzata Abbonati
Documento normativo
Ponteggi fissi: quadro normativo
Collegati
I ponteggi di facciata - Analisi requisiti legislazione italiana e norme tecniche europee
Check List | Schede di verifica ponteggi
Ponteggi fissi - Quaderno INAIL 2018
Ponteggi: Modello di Pi.M.U.S. Piano di Montaggio, Uso e Smontaggio
Ponteggi per facciate - Montaggio e smontaggio
Preposto sorveglianza PIMUS / Note e Modello nomina
D.Lgs. 81/2008 Testo Unico Salute e Sicurezza Lavoro
www.tussl.it
| Descrizione | Livello | Dimensione | Downloads | |
|---|---|---|---|---|
| Ponteggi di facciata - Elementi - Designazione - Classificazione Rev. 00 2022.pdf Certifico Srl - Rev. 0.0 2022 |
425 kB | 298 |
Tags: Sicurezza lavoro Rischio attrezzature lavoro Rischio cantieri Abbonati Sicurezza































