EN ISO 13856-1:2013 | Tappeti e pedane sensibili alla pressione
| ID 14537 | | Visite: 6334 | Documenti Riservati Normazione | Permalink: https://www.certifico.com/id/14537 |
EN ISO 13856-1:2013 | Tappeti e pedane sensibili alla pressione
ID 14537 | 04.10.2021 / Documento di approfondimento completo in allegato
Documento di approfondimento sui principi generali e i requisiti di progettazione e prova dei dispositivi di protezione sensibili alla pressione in accordo alla norma tecnica EN ISO 13856-1:2013.
Il presente documento è una traduzione non ufficiale in lingua italiana di parti della norma EN ISO 13856-1:2013 - Traduzione non ufficiale IT.
La norma fornisce i requisiti specifici per i tappeti e pedane sensibili alla pressione.
Data entrata in vigore: 17 aprile 2013 Recepita in Italia con la UNI EN ISO 13856-1:2013, entrata in vigore il 26 novembre 2013.
La norma fa parte delle norme armonizzate per la Direttiva 2006/42/CE sulle macchine.
Tabella ZA.1 EN ISO 13856-1:2013 - Corrispondenza tra la presente norme europea e la Direttiva 2006/42/CE
[...]
1. Definizioni
Dispositivo sensibile alla pressione: dispositivi di protezione sensibili attivati meccanicamente dallo spostamento destinati a rilevare il tocco di una persona o parte del corpo di una persona e che possono anche fungere da dispositivo di impedimento.
Tappeto sensibile alla pressione: dispositivo di protezione sensibile che rileva una persona che staziona o si sposta sulla sua superficie. Tale dispositivo comprende uno o più sensori che rispondono all’applicazione di pressione e un’unità di comando, oltre a uno o più dispositivi di commutazione del segnale di uscita.
In un tappeto sensibile alla pressione l’area sensibile viene deformata localmente all’azionamento del sensore (o dei sensori).
Pedana sensibile alla pressione: dispositivo di protezione sensibile che rileva una persona che staziona o si sposta sulla sua superficie. Tale dispositivo comprende uno o più sensori che rispondono all’applicazione di pressione e un’unità di comando, oltre a uno o più dispositivi di commutazione del segnale di uscita.
In una pedana sensibile alla pressione l’intera area sensibile viene spostata all’azionamento del sensore (o dei sensori).
[...]
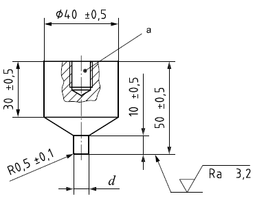
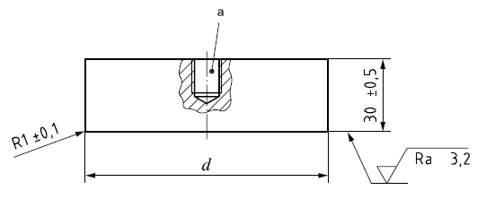
2.1 Sensore singolo
Il tappeto sensibile alla pressione o la pedana sensibile alla pressione deve rispondere alla forza di azionamento in conformità con la tabella 1 quando il dispositivo di prova (vedere la figura 2) è applicato sull'area di rilevamento effettiva ad una velocità massima di 2 mm*s-1 nel campo della temperatura di esercizio.
I calibri di prova 1, 2 e 3 si applicano a tappeti sensibili alla pressione e pedane sensibili alla pressione progettati per rilevare persone di peso superiore a 35 kg. Il calibro di prova 4 aggiuntivo deve inoltre essere applicato ai tappeti sensibili alla pressione e alle pedane sensibili alla pressione progettati per rilevare persone (ad es. bambini) di peso superiore a 20 kg.
Tabella 1 - Forze di attuazione
2.2 Insieme di sensori
Quando l’area sensibile effettiva è costituita da più di un sensore, i giunti e le giunzioni devono soddisfare i requisiti di cui al paragrafo 2.1 fatta eccezione per il fatto che solo il calibro di prova 2 della tabella 1 viene utilizzato per tappeti e pedane sensibili alla pressione progettati per individuare persone di peso maggiore di 35 kg.
In caso di tappeti e pedane sensibili alla pressione progettati per individuare persone (per esempio bambini) di peso maggiore di 20 Kg devono essere usati solo i calibri di prova 2 e 4. Per le altre parti dell’effettiva area sensibile, vale quanto stabilito nel punto 2.1.
Calibro di prova 1
Calibro di prova 2, 3, 4
Calibro di prova 5
Calibro di prova 6
Legenda
1 Scarpa di gomma, (60 ± 5) Shore A, fissata con adesivo
2 Acciaio
d Vedi tabella 1
a Solo proposta di montaggio
Figura 2 - Calibri di prova da 1 a 6
[...]
3 Istruzioni per l'uso
3.1 Generale
Le istruzioni per l'uso (es. manuale) devono includere tutte le informazioni necessarie per un'installazione sicura, l’uso e la manutenzione del dispositivo.
Le informazioni per l'uso devono contenere nella prima pagina:
- il PL in accordo alla norma tecnica ISO 13849-1;
- il tempo di risposta;
- se è dotata o meno di riarmo;
- l’identificativo, ad esempio, il serial number.
Per il sensore:
- se adatto ad essere usato per individuare persone (ad esempio bambini) di peso maggiore di 20 kg;
- il tempo di risposta;
- l’identificativo, ad esempio, il serial number.
[...]
7.4 Confronto tra un'installazione progettata bene e una progettata male
Legenda
1 Sono installati dei ripari fissi aggiuntivi per impedire l’accesso alla zona pericolosa del macchinario.
2 Il riparo fisso è disposto e progettato in modo che non ci sia accesso alla zona pericolosa tra il riparo stesso e i sensori. Il riparo fisso permette l’accesso alla zona pericolosa solo attraverso i sensori.
3 Una lastra di copertura inclinata impedisce all’operatore di stare sul lato dell’effettivo campo sensibile e nella zona pericolosa.
4 I sensori sono installati in modo appropriato.
5 Le zone morte dei sensori sono posizionate in modo da non compromettere la funzione protettiva.
6 Il pericolo di inciampare sul bordo del sensore è ridotto grazie a una rampa nel punto di accesso. La rampa può anche fungere da protezione dei cavi di collegamento.
7 Le canaline dei cavi sono installate all’esterno del riparo fisso.
8 Il pulsante di riarmo è situato in un punto ben protetto da cui si può vedere l’intera zona.
Figura 3 - Installazione progettata bene
[...] segue in allegato
Fonti
EN ISO 13856-1:2013
Direttiva 2006/42/CE Macchine
Certifico Srl - IT | Rev. 0.0 2021
©Copia autorizzata Abbonati
Matrice Revisioni:
| Rev. | Data | Oggetto | Autore |
| 0.0 | 04.10.2021 | -- | Certifico Srl |
Maggiori Info e acquisto Documento
Documento compreso nel Servizio di Abbonamento Normazione
Collegati
Valutazione dei rischi EN ISO 12100: Esempio operativo
Funi di sicurezza: norme e note applicative
EN ISO 13856-3:2013 | Paraurti, piastre, fili sensibili alla pressione
UNI EN ISO 13856-1:2013
UNI EN ISO 13856-2:2013
UNI EN ISO 13856-3:2013
EN ISO 13850 Arresto di emergenza
EN ISO 13855 Posizionamento dei mezzi di protezione
| Descrizione | Livello | Dimensione | Downloads | |
|---|---|---|---|---|
| EN ISO 13856-1 2013 Tappeti e pedane sensibili alla pressione Rev. 0.0 2021.pdf Certifico Srl - Rev. 0.0 2021 |
946 kB | 251 |
Tags: Normazione Norme Direttiva macchine Abbonati Normazione


















